زیر دسته ها لوازم یدکی لودر
نمایش بر اساس :

لوازم یدکی لودر

برای خاک‌برداری، ایجاد خاکریز در اطراف لوله‌ها، انتقال خاک و حفر زمین، از لودر استفاده می‌کنند. لودر، جزو ماشین‌آلات مهم و پر کاربرد در راهسازی و پروژه‌های معدنی است و از ترکیب قطعات زیادی تشکیل می‌شود. هر کدام از این قطعه‌ها ویژگی‌های خاصی دارند و کاملا حساس هستند؛ از همین رو بهتر است که مانع از آسیب‌های احتمالی به آن‌ها شوید. در این صفحه با انواع لوازم یدکی لودر در فروشگاه سنگین راه آشنا می‌شوید.

خرید لوازم یدکی لودر

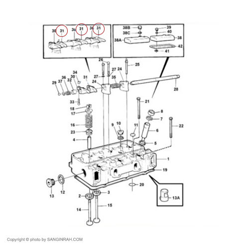
یکی از نکات مهم برای خرید لوازم یدکی لودر، شناخت انواع قطعات آن است. لودر جزو ماشین‌های بزرگ و سنگین است که قطعات مختلف کوچک و بزرگی دارد. البته با توجه به این که برند لودرها با هم متفاوت هستند، بین لوازم یدکی آن‌ها هم تفاوت‌های خاصی وجود دارد؛ اما جدای از این موارد، قطعات زیر جزو لوازم یدکی انواع لودرها هستند:

  • آمپر آب

  • بوش موتور

  • پیستون موتور

  • بلوک سرسیلندر موتور

  • رینگ موتور

  • واتر پمپ

  • واشر سرسیلندر

  • کاشه نمد گیربکس

  • گرمکن موتور

  • کیت گیربکس

  • براکت پشت پروانه

  • سوپاپ برگشت گازوئیل

  • سنسور فشار ترمز پارکینگ

  • سنسور حرارت و سطح هیدرولیک

  • سنسور ترمز پارک لودر

  • سنسور فشار ترمز لودر

  • سنسور فشار هوا

  • لوله گازوئیل

  • لوله فارسونگا

  • کندانسور کولر

  • اویل پمپ

  • فیلتر هواکش

  • Ecu کامپیوتر موتور

  • آکومالاتور ترمز بزرگ و کوچک

  • سنسور دور میل لنگ

  • خاموش‌کن لودر

  • گاید سوپاپ

  • بوش فارسونگا سوزن انژکتور

  • درب رادیاتور

  • میل سوپاپ موتور

  • پیستون موتور

  • سوپرشارژ موتور

  • کولر روغن هیدرولیک

این قطعات بیشتر مربوط به لوازم یدکی موتوری لودر هستند که می‌توانید آن‌ها را وبسایت فروشگاهی سنگین راه خریداری کنید. البته اگر نگران کیفیت قطعات هستید، باید بگوییم که ما در سنگین راه، سابقه دو دهه فروش لوازم یدکی لودر و دیگر ماشین‌ها را داریم و تمام تلاش خود را برای ارائه محصولات اصل و باکیفیت به کار می‌گیریم. بنابراین اگر می‌خواهید لیست کامل محصولات را برای خرید لوازم یدکی لودر مشاهده کنید، حتما با کارشناسان ما تماس بگیرید. زیرا برخی از قطعات در سایت موجود نیست در حالی که ما تمامی قطعات موردنیاز را داریم و در صورت ثبت سفارش، برایتان ارسال می‌کنیم.

قیمت لوازم یدکی لودر

با توجه به این که لودر جزو ماشین‌های پرکاربرد در پروژه‌های راهسازی است، قطعا در دسترس بودن قطعات، جزو موارد مهم در خصوص قیمت لوازم یدکی است؛ چون در صورتی که قطعه خاصی کمیاب باشد، قیمت آن هم بیشتر می‌شود.

از طرفی کیفیت و مواد به کار رفته در ساختار آن هم در قیمت‌گذاری قطعات لودر تاثیر مستقیم می‌گذارند. همچنین این که شما قطعات کدام برند را برای خرید انتخاب می‌کنید هم سبب افزایش یا کاهش هزینه تمام شده آن می‌شود. با این وجود اگر می‌خواهید با مناسب‌ترین قیمت لوازم یدکی لودر با نرخ روز آشنا شوید، می‌توانید از طریق شماره 02155402060 با کارشناسان تیم فروش ما تماس بگیرید.

مشاوره خرید لوازم یدکی لودر

اصولا افراد برای خرید انواع لوازم یدکی لودر و دیگر ماشین‌ها به صورت اینترنتی دچار شک می‌شوند؛ چرا که از کیفیت محصولات اطمینان کافی ندارند و نگران تقلبی بودن آن‌ها هستند. این در حالی است که اگر شما فروشگاه معتبر و با سابقه‌ای برای خرید لوازم یدکی لودر اقدام کنید، قطعا لوازم اصل و باکیفیت را هم پیدا می‌کنید.

ما در سنگین راه به‌عنوان نمایندگی فروش لوازم یدکی لودر با سال‌ها سابقه درخشان در زمینه فروش لوازم یدکی لودر، این اطمینان را به شما می‌دهیم که محصولات باکیفیتی را ارائه کنیم. در راستای همین موضوع هم امکان بازگشت کالا با شرایط خاص را فراهم کرده‌ایم.

سوالات متداول

?
قطعات و لوازم یدکی لودر شامل چه چیزهایی می‌شود؟
?
قیمت لوازم یدکی لودر چقدر است؟
?
شرایط گارانتی لوازم یدکی لودر چیست؟