پمپ مادر بیل مکانیکی هیوندا R330LC-9S

شناسه محصول : 5293578

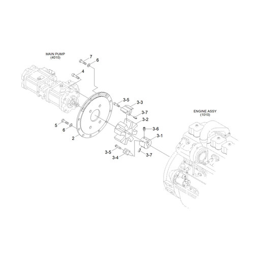
در بازار فنی و بین تعمیرکاران، این قطعه با نام‌های متفاوتی شناخته می‌شود؛ از جمله: «پمپ اصلی R330 هیوندای»، «پمپ مادر 330-9S» یا «پمپ هیدرولیک دوگانه بیل R330». این پمپ با شماره فنی 31Q9-10030 مشخص می‌شود. برای مشاهده دقیق محل قرارگیری قطعه و اتصال آن به سایر اجزا، تصویر کاتالوگ فنی محصول را نیز می‌توانید بررسی کنید.


اشتراک گذاری:
پمپ مادر بیل مکانیکی هیوندا R330LC-9S
پمپ مادر بیل مکانیکی هیوندا R330LC-9S
پمپ مادر بیل مکانیکی هیوندا R330LC-9S
توضیحات

☑️ پمپ مادر بیل مکانیکی هیوندا R330LC-9S در این مدل، وظیفه تأمین و توزیع نیروی هیدرولیکی به سیستم‌های عملیاتی دستگاه را برعهده دارد. از حرکت بیل و بازو گرفته تا چرخش بدنه و کنترل پیوسته فشار هیدرولیک، همه تحت تاثیر کیفیت عملکرد این پمپ قرار دارند. این قطعه مستقیماً به موتور دستگاه متصل می‌شود و در کنار آن نقش حیاتی در بهره‌وری ماشین ایفا می‌کند.

☑️ خرید این قطعه در ایران همیشه با ریسک‌های خاصی همراه است؛ از جمله ورود قطعات تقلبی، نبود ضمانت‌نامه معتبر، و تفاوت‌های فنی ریز اما تأثیرگذار. همین مسائل باعث می‌شود بسیاری از خریداران متحمل هزینه‌های دو یا چندباره شوند. ما در سنگین راه این مشکل را با تأمین مستقیم قطعه اصلی، بررسی دقیق فنی قبل از ارسال، و ارائه مشاوره تخصصی برای نصب برطرف کرده‌ایم.

✔️ اگر قصد خرید پمپ مادر بیل مکانیکی هیوندا R330LC-9S را دارید، همین حالا می‌توانید سفارش آنلاین خود را ثبت کنید. برای دریافت قیمت و مشاوره دقیق‌تر، کافیست روی دکمه «تماس برای استعلام قیمت» کلیک کنید. تیم ما آماده پاسخگویی به سوالات فنی شماست.

پمپ هیدرولیک بیل مکانیکی هیوندا R330LC_9S پمپ هیدرولیک بیل مکانیکی فروش پمپ مادر بیل مکانیکی

مشخصات فنی پمپ مادر بیل مکانیکی هیوندا R330LC-9S

عنوانمقدار
شناسه محصول 5293578
برند Hyundai
دسته بیل مکانیکی
دستگاه 330
زیر دسته هیدرولیک
Part Number 31Q9-10030
سوالات متداول
?
نحوه ارسال اجناس به شکل هست؟
?
چگونه به شما اعتماد کنیم؟
?
محصول مورد نظر اندکی با مشخصات ذکر شده در سایت متفاوت است؟
دیدگاه و پرسش
برای ارسال دیدگاه لازم است وارد شده یا ثبت‌نام کنید ورود یا ثبت‌نام

درحال دریافت اطلاعات

محصولات مرتبط
آخرین محصولات
sanginrah youtube

کلی مطالب جالب در یوتیوب منتشر می‌کنیم!

مشاهده کانال YouTube