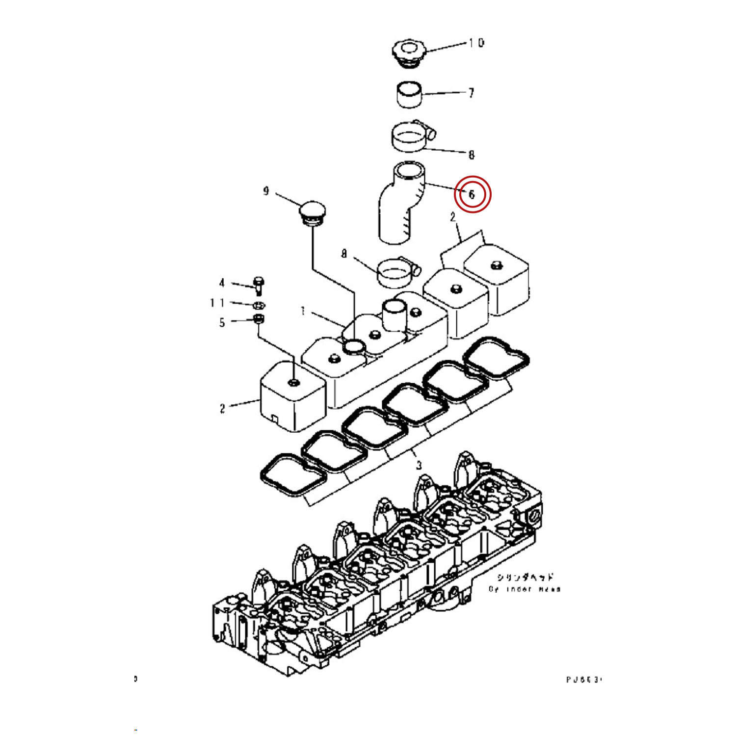
شلنگ جا ترموستاتی روی درب سوپاپ بیل مکانیکی کوماتسو PC200-7

شناسه محصول : 6322417

information ثبت درخواست استعلام قیمت در ساعات غیر اداری

موجود در انبار box

اشتراک گذاری:
شلنگ جا ترموستاتی روی درب سوپاپ بیل مکانیکی کوماتسو PC200-7
شلنگ جا ترموستاتی روی درب سوپاپ بیل مکانیکی کوماتسو PC200-7
شلنگ جا ترموستاتی روی درب سوپاپ بیل مکانیکی کوماتسو PC200-7
توضیحات

مشخصات فنی شلنگ جا ترموستاتی روی درب سوپاپ بیل مکانیکی کوماتسو PC200-7

عنوانمقدار
شناسه محصول 6322417
برند Komatsu
دسته بیل مکانیکی
دستگاه PC200-7
زیر دسته سیستم سیلندر موتور
Part Number 6130-12-8720 --
سوالات متداول
?
نحوه ارسال اجناس به شکل هست؟
?
چگونه به شما اعتماد کنیم؟
?
محصول مورد نظر اندکی با مشخصات ذکر شده در سایت متفاوت است؟
دیدگاه و پرسش
برای ارسال دیدگاه لازم است وارد شده یا ثبت‌نام کنید ورود یا ثبت‌نام

درحال دریافت اطلاعات

محصولات مرتبط
آخرین محصولات
sanginrah youtube

کلی مطالب جالب در یوتیوب منتشر می‌کنیم!

مشاهده کانال YouTube